FT 1000
FT 1000 со склада в Москве!
Чтобы заказать FT 1000, звоните по телефону, или воспользуйтесь заявкой с сайта!
REXNORD FT 1000 XLG Flat Top MatTop Chain прямоходная модульная лента закрытого типа с шагом 25,4 мм (1 дюйм)
REXNORD 1000 XLG Flat Top Molded-To-Width (MTW) MatTop Chain прямоходная модульная лента закрытого типа с шагом 25,4 мм (1 дюйм) с фиксированной шириной 85 мм
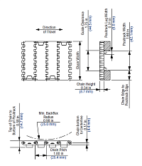
REXNORD 1000 XLG FTDP Flat Top Molded-To-Width (MTW) MatTop Chain with Positrack (DP – Double Positrack) Tracking Guides прямоходная модульная лента закрытого типа с шагом 25,4 мм (1 дюйм) с фиксированной шириной 85 мм. В нижней части ленты по краям размещены двусторонние упоры в виде язычков для фиксации на направляющих конвейера (позитрак), которые не позволяют ленте смещаться вбок в процессе работы (42,1 мм между направляющими)
может быть изготовлена из материалов:
- Acetal XLG – Low Friction Green
Для соединения модулей в конвейерную ленту используются соединительные штифты (pin, rod) из материалов:
- Polypropylene (PP) – стандарт
- Polyester – стандарт для MTW
- Nylon (PA)
- PBT
Модульная лента REXNORD FT 1000 XLG Flat Top MatTop Chain разработана с возможностью реверсивного использования, что позволяет исключить ошибку при сборке готовой конвейерной модульной ленты и последующем монтаже на конвейере
Обозначения для Rexnord серии 1000 FT (Flat Top)
XLG-ACETAL
817.30.xx (STANDARD) - FT 1000 XLG
873.27.xx (DOUBLE POSITRACK) - FTDP 1000 XLG
873.08.xx (POSITRACK 1 SIDE, FREEFLOW 1 SIDE) - FFTP 1000 XLG
873.07.xx (POSITRACK 2 SIDES, FREEFLOW 1 SIDE) - FFTP 1000 XLG
873.21.09 (DOUBLE POSITRACK 84) - FTDP 1000 XLG 84
PS-ACETAL
873.35.xx (DOUBLE POSITRACK) - FTDP 1000 PS
873.35.09 (DOUBLE POSITRACK 84) - FTDP 1000 PS 84
XP-POLYPROPYLENE
818.30.xx (STANDARD) - FT 1000 XP
873.29.xx (DOUBLE POSITRACK) - FTDP 1000 XP
AS-ACETAL
814.30.xx (STANDARD) - FT 1000 AS
873.32.xx (DOUBLE POSITRACK) - FTDP 1000 AS
ANTIBACTERIAL WLA-POLYETHYLENE
812.60.xx (STANDARD) - WLA 1000 FT
ANTIBACTERIAL BLA-POLYETHYLENE
812.80.xx (STANDARD) - BLA 1000 FT
ANTIBACTERIAL WHA-POLYPROPYLENE
811.80.xx (STANDARD) - WHA 1000 FT
ANTIBACTERIAL WSA-ACETAL
815.70.xx (STANDARD) - WSA 1000 FT
873.28.xx (DOUBLE POSITRACK) - WSA 1000 FTDP






